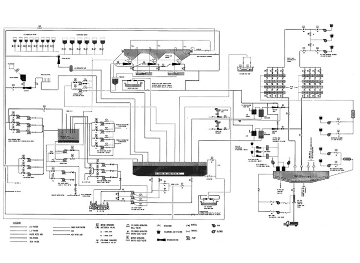
Power Plant Ash Handling System
| Product | Air Lock Valve, Upper Camber Assembly, Lower Chamber Assembly Bucket, BA Conveyor, BA Humidifier, BA Silo Double Roll Crusher, Chute, Valve, Damper, Ash Pipe(HiCrFc), Silo |
|---|
본문

| Product | Air Lock Valve, Upper Camber Assembly, Lower Chamber Assembly Bucket, BA Conveyor, BA Humidifier, BA Silo Double Roll Crusher, Chute, Valve, Damper, Ash Pipe(HiCrFc), Silo |
|---|
